• 方案介绍
  • 附件下载
  • 相关推荐
申请入驻 产业图谱

4人抢答器设计Verilog代码Quartus 实验箱

08/22 11:10
292
加入交流群
扫码加入
获取工程师必备礼包
参与热点资讯讨论

2-240Z91H03B14.doc

共1个文件

名称:4人抢答器设计Verilog代码Quartus? 实验箱

软件:Quartus

语言:Verilog

代码功能:

4人抢答器

设计要求

1.此抢答器可供4组选手参加比赛使用。每组选手控制一个按钮,用以发出抢答信号。

2.开始抢答后,最先发出抡抢答信号组所对应的LED灯点亮,并发出声音表示抢答成功,此时其他三组的按钮不再起作用。

3.主持人可通过另一按钮将其进行复位。

4.增加计分模块,每个选手的计分用两位数码管显示。自定义其它功能。

FPGA代码Verilog/VHDL代码资源下载:www.hdlcode.com

本代码已在实验箱验证,实验箱如下,其他开发板可以修改管脚适配:

实验箱.png

演示视频:

设计文档:

1. 工程文件

2. 程序文件

3. 程序编译

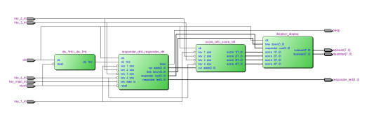
4. RTL图

5. 管脚分配

6. 仿真图

整体仿真图

分频模块

抢答控制模块

分数控制模块

显示模块

部分代码展示:

module?display
(
input?clk,
input?[3:0]?time_down,//倒计时10_0
input?[3:0]?responder_num,//抢答指示1~4
input?[7:0]?score_1,//1号分数
input?[7:0]?score_2,//2号分数
input?[7:0]?score_3,//3号分数
input?[7:0]?score_4,?//4号分数
output?reg?[7:0]?weixuan,//位选,低亮
output?reg?[7:0]?duanxian//段选,低亮
);
reg[15:0]jishu='d0;
always@(posedge?clk)
begin
jishu<=jishu+16'd1;
end
reg?[3:0]?display_data=4'd0;
always@(posedge?clk)
begin
case(jishu[15:13])//显示
3'd0:display_data<=time_down%10;//倒计时个位
3'd1:display_data<=time_down/10;//倒计时十位
3'd2:display_data<=responder_num;//抢答指示1~6
3'd3:display_data<=4'd0;
3'd4:display_data<=score_1[3:0];
3'd5:display_data<=score_2[3:0];
3'd6:display_data<=score_3[3:0];
3'd7:display_data<=score_4[3:0];
??????default:;
endcase
end
always@(posedge?clk)
begin
case(jishu[15:13])//位选,低亮
3'd0:?weixuan<=8'b1111_1110;
3'd1:?weixuan<=8'b1111_1101;
3'd2:?weixuan<=8'b1111_1011;
3'd3:?weixuan<=8'b1111_1111;
3'd4:?weixuan<=8'b1110_1111;
3'd5:?weixuan<=8'b1101_1111;
3'd6:?weixuan<=8'b1011_1111;
3'd7:?weixuan<=8'b0111_1111;
default:weixuan<=8'b1111_1111;
endcase
case(display_data)//段选,低亮
0?:?duanxian=?(8'hc0);?
1?:?duanxian=?(8'hf9);?
2?:?duanxian=?(8'ha4);

点击链接获取代码文件:http://www.hdlcode.com/index.php?m=home&c=View&a=index&aid=1052

  • 2-240Z91H03B14.doc
    下载

相关推荐