• 方案介绍
  • 相关推荐
申请入驻 产业图谱

基于RG600L搭载VC5788设计高性价比WIFI6的路由器方案

09/26 17:29
1188
加入交流群
扫码加入
获取工程师必备礼包
参与热点资讯讨论

核心技术优势/方案详细规格/产品实体图/PCB/方块图Datasheet/测试报告/Gerber/Schematics/User manual +一键获取

随着家庭网络已经进入了超高速时代,WiFi技术的快速发展,到现在最新的WIFI7技术,使网络带宽从1G逐步提升至10G以上,满足了用户对高性能网络的需求。然而在市场的主要家用的路由使用,考虑到设计成熟度,性价比等因素,WIFI6产品还是占据市场的主流。

IRG600L模块是移远基于MTK的主控设计的,搭载唯捷创新Vanchip的WIFI6 FEM就能很轻松的设计性价比很好的产品,满足市场的要求,适用于运营商网关、企业接入点、家庭路由器及Mesh节点。

1. 2.4G的放大器选择VC5337-31,5G的放大器选择VC5788-21,双频双路支持802.11ax和MU-MIMO,支持二条空间流技术,2.4G提供最高574Mbps的接入速率,5G提供最高1201Mbps的接入速率。整机提供1.775Gbps的接入速率,千兆极速无线让性能不再成为瓶颈。

2. 设备支持AP和路由两种模式,既可以多台AP组网构成一个无线网络,也可以单台充当无线路由器独立使用。设备配置更灵活,应用功能更丰富,适用场景更广泛。

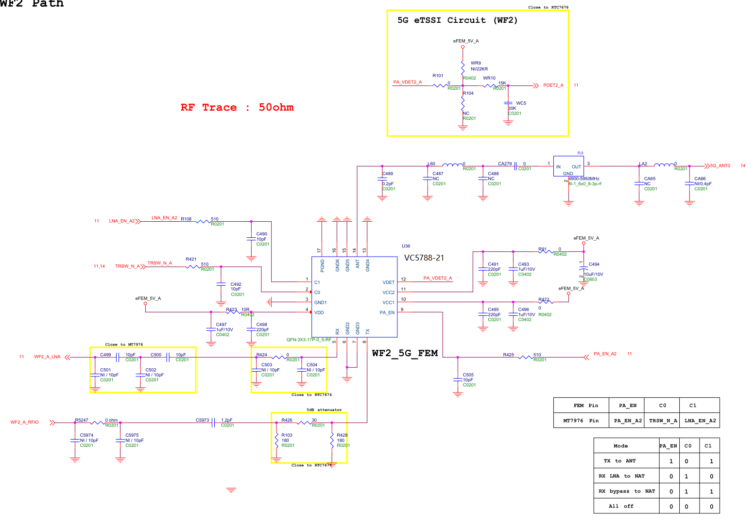
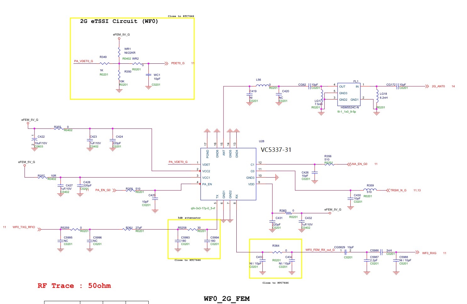
3. 放大器FEM原理图设计部分:

2.4G部分:

5G部分:

4. VC5337-31的TX性能参考:

VC5788-21的TX性能参考:

5. PCBA无源loadpull调试参考:

VC5337-31实际调试参考:

VC5788-21实际调试参考:

6. FAQ部分:

? 1.Q: 2.4G的无源匹配调试很难吗?

A:其实2.4G调试无源都是比较简单的,频宽不大;

? 2.Q:VC5788-21的AX80的输出功率能做多大?

A: VC5788-21在AX80_MCS11下,EVM-40db DEVM下,最大能出21.5dBm左右;

? 3.Q: 这颗5G放大器适合做哪些应用?

A: 例如无线接入点,PC卡,网关,物联网,客户终端设备等都可以;

? 4. Q: 5G的调试收敛是正中50R是最好的吗?

A: 这个不一定,一般是根据原厂提供的loadpull做参考,根据客户的输出功率和EVM可能会做微调;

? 5. Q: VC5788-21的TX放大倍数是多少?

A: 在5V供电,温度25°情况下,TX的放大倍数典型值31db。

?场景应用图

?产品实体图

?展示板照片

大大通

大大通

针对电子行业逐渐呈现碎片化、客制化的趋势,大联大推出汇聚内外工程师,搭建互相帮助乐于分享,解决问题的首选技术平台----研发心中的翰林院 大大通。其中包含了大联大代理的上百条产品线、数百个方案,以及最新的产品信息和原厂新闻。大大通的方案涵盖智能家居、智慧城市、穿戴装置、智慧医疗、车联网、电源等应用领域;除了大联大内部的方案,还有原厂的最新方案,以及行业优质合作方案商(IDH)的方案,打通客户、原厂、IDH 以及大联大的FAE 之间的壁垒,搭建整个技术的生态圈。 除了大联大七百馀位专业FAE在线上进行高效、专业的技术支持,大大通更希望汇聚所有工程师一起分享和成长。客户可以更直接快速的了解方案、解答疑问、获取技术文档,从而缩短客户方案量产时间。使用者登录后,可以根据应用、原厂、传输技术、输出功率等选项快速筛选出感兴趣的方案;浏览方案时可以提问、分享、收藏,还能一键连结到大大购进行方案的关键物料的购买。大大通还有完善个人的社交系统,关注技术大牛,获取积分,吸引粉丝,获取更高头衔和特别勋章,让工程师可以获得荣誉感、成就感。

针对电子行业逐渐呈现碎片化、客制化的趋势,大联大推出汇聚内外工程师,搭建互相帮助乐于分享,解决问题的首选技术平台----研发心中的翰林院 大大通。其中包含了大联大代理的上百条产品线、数百个方案,以及最新的产品信息和原厂新闻。大大通的方案涵盖智能家居、智慧城市、穿戴装置、智慧医疗、车联网、电源等应用领域;除了大联大内部的方案,还有原厂的最新方案,以及行业优质合作方案商(IDH)的方案,打通客户、原厂、IDH 以及大联大的FAE 之间的壁垒,搭建整个技术的生态圈。 除了大联大七百馀位专业FAE在线上进行高效、专业的技术支持,大大通更希望汇聚所有工程师一起分享和成长。客户可以更直接快速的了解方案、解答疑问、获取技术文档,从而缩短客户方案量产时间。使用者登录后,可以根据应用、原厂、传输技术、输出功率等选项快速筛选出感兴趣的方案;浏览方案时可以提问、分享、收藏,还能一键连结到大大购进行方案的关键物料的购买。大大通还有完善个人的社交系统,关注技术大牛,获取积分,吸引粉丝,获取更高头衔和特别勋章,让工程师可以获得荣誉感、成就感。收起

查看更多

相关推荐

方案定制

去合作
方案开发定制化,2000+方案商即时响应!

大大通的方案涵盖智能家居、智慧城市、穿戴装置、智慧医疗、车联网、电源等应用领域;除了大联大内部的方案,还有原厂的最新方案,以及行业优质合作方案商(IDH)的方案,打通客户、原厂、IDH 以及大联大的FAE 之间的壁垒,搭建整个技术的生态圈。 除了大联大七百馀位专业FAE在线上进行高效、专业的技术支持,大大通更希望汇聚所有工程师一起分享和成长。客户可以更直接快速的了解方案、解答疑问、获取技术文档,从而缩短客户方案量产时间。