• 方案介绍
  • 相关推荐
申请入驻 产业图谱

世平安森美 NCV78514 LED Driver应用于车用智能LED灯组方案介绍

09/01 14:19
663
加入交流群
扫码加入
获取工程师必备礼包
参与热点资讯讨论

核心技术优势/方案详细规格/产品实体图/PCB/方块图Datasheet/测试报告/Gerber/Schematics/User manual +一键获取

NCV78514 是一款安森美半导体 (Onsemi) 汽车 LED 驱动器,采用 H 桥拓扑结构,整合同步降压和外部异步升压。此拓扑结构支援设计单一驱动器用于多个 LED 负载,最大功率为 20 W,最大电压为 60 V,最大电流为 1.5 A。它非常适合无 MCU 设置,并具备输入电压和温度Derating、诊断和错误处理以及衰减等智慧功能。

  • NCV78514 功能特点:
    • 支援无需 MCU 的应用
    • 整合降额机制
    • 固定开关频率 400 kHz
    • 输入工作范围:5 V 至 21 V
    • 低于 9 V 的热启动管理
    • 可承受高达 45 V 的负载突降
    • 输出电压范围高达 60 V
    • 外部可程式电流 200 mA - 1500 mA
    • 脉冲宽度调变:80 Hz 至 600 Hz
    • LED 电流调光频率 400 Hz
    • 外部 NTC / PTC 用于 LED 温度测量
    • 扩频
    • 状态和错误模式处理
    • 符合 AEC-Q100 认证并支援 PPAP
  • NCV78514典型应用
    • 雾灯 Fog Lamp
    • 方向灯 Cornering Light
    • 标识投影 Logo Projection
    • 标识照明 Logo Lighting

评估板旨在展示 NCV78514 的功能。输入端受反极性保护,并连接输入 PI 型滤波器。电流随后流经 DC/DC 转换器和输出 PI 型滤波器。输出电流由连接到 ISET 引脚电阻定义。NCV78514会持续监控该电阻,以确保良好的电气连接,并验证电流设定电阻是否正常运作。测量的电阻在工作期间必须保持稳定。在启动程序期间,将评估电阻,并计算相应的输出电流。输出电流也可以透过施加到 DIM 引脚的 PWM 讯号进行调整。NCV78514感测施加的 PWM 讯号并测量其Duty Cycle。输出电流以 400Hz 的频率进行十次脉冲宽度调整,Duty Cycle与输入 PWM 讯号相符。

电阻定义的电流设定了目标输出电流,当没有Derating机制启动时,该电流将会起作用。有三种Derating机制会影响输出电流:输入电压下降、积体电路过热、LED灯串过热。输出电流会降载至最大的Derating机制控制,这确保系统在各种条件下都能安全且有效率地运作。

LED模组的温度是透过放置在模组内部的NTC(负温度系数)热敏电阻来测量的。随著LED模组温度的变化,热敏电阻的阻值也会改变。将VCC电压施加在Pull-up电阻上,并将NTC热敏电阻连接在此Pull-up电阻和接地之间。随著NTC热敏电阻阻值的变化,其两端的压降也会改变。积体电路的ADC(类比数位转换器)可以感测到此压降,从而精确测量LED模组的温度。

LED 模组 v2.0版功能描述:

LED 模组 v2.0 旨在模拟从 1 到 20 个 LED 的各种负载。透过短接特定的跳线,可以绕过 LED 灯串的某些部分,从而有效减少 LED点亮的数量。这允许灵活配置 LED 灯串长度。此模组可分成两个独立的灯串,LED D1-D8 和 LED D13-D20 由像素控制器单独控制。

LED 模组 v2.0 包含一个电流设定电阻 (R1) 和一个温度感应热敏电阻 (R2),NCV78514 使用它们在过热时调节 LED 灯串电流。这些电阻可以放置在评估套件 (EVK) 模组或 LED 模组上。但是,请确保不要将电阻和热敏电阻同时放置在 LED 模组和评估模组上。这些位置是重复的,以便驱动没有 ISET 和 TCS 元件位置的其他 LED 负载。

若要改变LED电流,请使用下面的公式 (1):

Equation 1

热敏电阻(NCG18XH103FOSRB)的测得电阻随温度的变化如下(2)

Equation 2

下表列出了热敏电阻 :
热敏电阻

温度估算可以透过公式3来完成 :
Equation 3

安装说明:

  1. 小心打开评估套件的包装,确保所有组件齐全。套件包含带有香蕉插头的电线,用于连接实验室电源和 LED 负载模组。
  2. 找到套件中附带的香蕉插头的电线。
  3. 将香蕉插头连接到实验室电源的相应端子
  4. 将电源设定为输出 12V 和 1A。
  5. 确保 LED 负载模组已依照提供的图表牢固地连接到评估板。
  6. 所有连接牢固后,打开电源。

故障排除:

  • 检查 PWM 输入输出:

确保 PWM 输入已连线。如果未连接,则侦测到的占空比将为 0%,导致无输出

电流。透过耦合 PWM 和 VBAT 输入可以达到 100% 的占空比。

  • 验证电压:

测量 ISET 引脚的电压。预期电压约为 1V。

测量 PTC 引脚的电压。此电压应高于 0.6 x VCC 才能正常运作。

  • 检查连接:

检查所有连接,确保它们牢固且位置正确。

  • 检查电源设定:

确认电源和香蕉插头已正确连接。

  • 检查组件:

检查电流设定电阻 (R1) 和温度感测热敏电阻 (R2),确保它们运作正常,并且没

有同时安装在 LED 模组和评估模组上。

NCV78514?评估板模组如图一:
EVK 1

图一:NCV78514 评估板模组

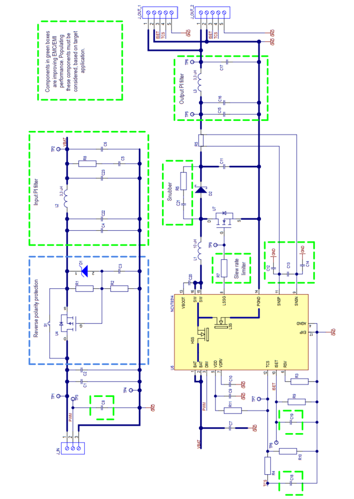
电路图
EVK Schematic

J_IN?连接器脚位定义:
JIN Pinout

J_OUT_1 & J_OUT_2 连接器脚位定义:

J_OUT_1

LED 模组v2.0如下图二:

LED Module v2.0

?场景应用图

?产品实体图

?展示板照片

大大通

大大通

针对电子行业逐渐呈现碎片化、客制化的趋势,大联大推出汇聚内外工程师,搭建互相帮助乐于分享,解决问题的首选技术平台----研发心中的翰林院 大大通。其中包含了大联大代理的上百条产品线、数百个方案,以及最新的产品信息和原厂新闻。大大通的方案涵盖智能家居、智慧城市、穿戴装置、智慧医疗、车联网、电源等应用领域;除了大联大内部的方案,还有原厂的最新方案,以及行业优质合作方案商(IDH)的方案,打通客户、原厂、IDH 以及大联大的FAE 之间的壁垒,搭建整个技术的生态圈。 除了大联大七百馀位专业FAE在线上进行高效、专业的技术支持,大大通更希望汇聚所有工程师一起分享和成长。客户可以更直接快速的了解方案、解答疑问、获取技术文档,从而缩短客户方案量产时间。使用者登录后,可以根据应用、原厂、传输技术、输出功率等选项快速筛选出感兴趣的方案;浏览方案时可以提问、分享、收藏,还能一键连结到大大购进行方案的关键物料的购买。大大通还有完善个人的社交系统,关注技术大牛,获取积分,吸引粉丝,获取更高头衔和特别勋章,让工程师可以获得荣誉感、成就感。

针对电子行业逐渐呈现碎片化、客制化的趋势,大联大推出汇聚内外工程师,搭建互相帮助乐于分享,解决问题的首选技术平台----研发心中的翰林院 大大通。其中包含了大联大代理的上百条产品线、数百个方案,以及最新的产品信息和原厂新闻。大大通的方案涵盖智能家居、智慧城市、穿戴装置、智慧医疗、车联网、电源等应用领域;除了大联大内部的方案,还有原厂的最新方案,以及行业优质合作方案商(IDH)的方案,打通客户、原厂、IDH 以及大联大的FAE 之间的壁垒,搭建整个技术的生态圈。 除了大联大七百馀位专业FAE在线上进行高效、专业的技术支持,大大通更希望汇聚所有工程师一起分享和成长。客户可以更直接快速的了解方案、解答疑问、获取技术文档,从而缩短客户方案量产时间。使用者登录后,可以根据应用、原厂、传输技术、输出功率等选项快速筛选出感兴趣的方案;浏览方案时可以提问、分享、收藏,还能一键连结到大大购进行方案的关键物料的购买。大大通还有完善个人的社交系统,关注技术大牛,获取积分,吸引粉丝,获取更高头衔和特别勋章,让工程师可以获得荣誉感、成就感。收起

查看更多

相关推荐

方案定制

去合作
方案开发定制化,2000+方案商即时响应!

大大通的方案涵盖智能家居、智慧城市、穿戴装置、智慧医疗、车联网、电源等应用领域;除了大联大内部的方案,还有原厂的最新方案,以及行业优质合作方案商(IDH)的方案,打通客户、原厂、IDH 以及大联大的FAE 之间的壁垒,搭建整个技术的生态圈。 除了大联大七百馀位专业FAE在线上进行高效、专业的技术支持,大大通更希望汇聚所有工程师一起分享和成长。客户可以更直接快速的了解方案、解答疑问、获取技术文档,从而缩短客户方案量产时间。