• 方案介绍
  • 附件下载
  • 相关推荐
申请入驻 产业图谱

【物联网毕设】厨房监测系统-图传-STM32+APP+MQTT

09/09 09:23
1390
加入交流群
扫码加入
获取工程师必备礼包
参与热点资讯讨论

联系方式.docx

共1个文件

前言

本系统采用STM32微控制器为核心,集成温湿度、火焰、气体等多种传感器,通过WiFi/MQTT协议实现远程监控。硬件端可自动调控环境(空调/风扇)并触发声光报警;Android APP提供数据可视化、阈值设置及远程控制功能,支持一键布防和图像获取。系统使用2.4GHz WiFi热点(NET/12345678)通信,包含完整的PCB设计、程序架构和演示视频资源。适用于智慧家居场景,配套资料可通过网盘获取,技术支持需联系开发者。

一 连线图

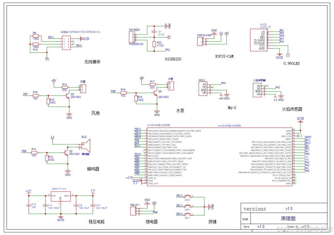
1 原理图


2. 开发板本身自带一个LED ,这个LED作为我们查看网络连接状态和获取数据状态的说明

(1)首先需要打开我们的WIFI热点让设备进行联网操作,看到显示数据界面,即可进行下一步功能测试

(2)硬件每隔几秒会向APP传输一次数据。

热点名字:NET密码:12345678,请使用2.4GHZ频率的无线网。

2 PCB效果


关注微信公众号--星之援工作室 发送关键字(项目清单)
可获取项目清单资料

????


????(本文章仅提供思路和实现方法,并不包含代码,需要代码的同学请自行联系博主)

????(有疑问或需要定制或者技术支持等,也请自行联系博主)????


3 实物效果

4 APP效果

5 功能概括

(1)硬件端

  1. ESP8266-01s:使用wifi模块进行联网使用;
  2. STM32F103C8T6:用于所有程序的中控和模块数据通信
  3. 温湿度传感器DS18B20):用于检测环境的温度;
  4. 风扇控制:在检测到烟雾或有害气体浓度过高时,自动启动风扇进行通风。
  5. 自动喷水灭火:在检测到火灾时,自动启动喷水灭火系统(水泵)进行灭火。
  6. 0.96OLED显示器:显示厨房状态等信息
  7. 火焰传感器:用于检测厨房是否存在明火;
  8. MQ-2:用于检测环境的的有害气体浓度是否超过阈值;
  9. 蜂鸣器与LED:实现声光报警,用于异常数据的报警处理(火灾,有害);
  10. 按键:可以进行电器的一键控制;
  11. ESP32-CAM:可以使用APP进行图像获取

(2)APP端

  1. 使用MQTT协议与设备进行信息交互;
  2. 可采集到底层设备数据并且展示到界面UI;
  3. 可以远程设置温度报警阈值、有害气体浓度阈值;
  4. 可以远程查看数据是否超标,界面会出现提示信息;
  5. 可以一键控制排风扇开启和关闭;
  6. 可以设置对应的图像IP地址进行图像获取

(3)ESP32端

  1. APP填写对应的IP地址,即可查看图像


如果手机热点查看不到IP地址,可以直接使用电脑打开对应的热点信息,电脑可以直接查看到IP地址(电脑需要与APP在同一网络的环境下哦)

(3)云平台使用(需要可以找我获取)

只是链接各个设备使用,采用MQTT即时通讯;

(4)演示视频

通过网盘分享的文件:60.1.厨房监测系统-图传.mp4

链接: https://pan.baidu.com/s/1YvzwmQF9Mnq897Ou9UpZIQ?pwd=XZY0 提取码: XZY0

--来自百度网盘超级会员v6的分享

二 底层代码使用方式

1 使用说明

(1). 使用的时候设备会自动连接WIFI

热点名字:NET密码:12345678,请使用2.4GHZ频率的无线网。

(2). 按键一可以控制阀门开启和关闭

(多看视频,视频中有完整功能演示)

(多看视频,视频中有完整功能演示)

(多看视频,视频中有完整功能演示)

2 下载程序

  1. 先根据原理图进行连线,连接好以后在做后面的操作
  2. 打开手机热点 热点名字:NET密码:12345678
  3. 打开程序(硬件由工作室出的可以忽略下载程序这部分)

三 APP使用方式

1下载APP

(1)操作方式:

使用Android手机安装APK进行操控


安装Android studio导入项目使用模拟器

官网下载最新版本

https://developer.android.google.cn/studio?hl=zh-cn

安装包(工作室使用版本)链接:

https://pan.baidu.com/s/1DnRGWeJt7XBTmzqHj1KRSQ?pwd=xzy0

提取码:xzy0

安装教程

https://zhuanlan.zhihu.com/p/528196912

(2)使用说明
打开APP后设备会自动订阅MQTT主题,等待1-5秒APP会自动获取到设备上的数据,若5秒内没有获取到设备数据,则请检测设备是否在线,若在线,则请重新打开APP进行数据的获取

(多看视频,视频中有完整功能演示)

(多看视频,视频中有完整功能演示)

(多看视频,视频中有完整功能演示)

四 程序架构及修改(通用)

链接:

https://pan.baidu.com/s/1TZkvdEOp-ERgi-2A1o-KWw?pwd=XZY0

提取码:XZY0

APP参数修改

联系方式 微信号:13648103287

  • 联系方式.docx
    下载
意法半导体

意法半导体

意法半导体(ST)集团于1987年6月成立,是由意大利的SGS微电子公司和法国Thomson半导体公司合并而成。1998年5月,SGS-THOMSON Microelectronics将公司名称改为意法半导体有限公司。意法半导体是世界最大的半导体公司之一,公司销售收入在半导体工业五大高速增长市场之间分布均衡(五大市场占2007年销售收入的百分比):通信(35%),消费(17%),计算机(16%),汽车(16%),工业(16%)。 据最新的工业统计数据,意法半导体是全球第五大半导体厂商,在很多市场居世界领先水平。例如,意法半导体是世界第一大专用模拟芯片和电源转换芯片制造商,世界第一大工业半导体和机顶盒芯片供应商,而且在分立器件、手机相机模块和车用集成电路领域居世界前列.

意法半导体(ST)集团于1987年6月成立,是由意大利的SGS微电子公司和法国Thomson半导体公司合并而成。1998年5月,SGS-THOMSON Microelectronics将公司名称改为意法半导体有限公司。意法半导体是世界最大的半导体公司之一,公司销售收入在半导体工业五大高速增长市场之间分布均衡(五大市场占2007年销售收入的百分比):通信(35%),消费(17%),计算机(16%),汽车(16%),工业(16%)。 据最新的工业统计数据,意法半导体是全球第五大半导体厂商,在很多市场居世界领先水平。例如,意法半导体是世界第一大专用模拟芯片和电源转换芯片制造商,世界第一大工业半导体和机顶盒芯片供应商,而且在分立器件、手机相机模块和车用集成电路领域居世界前列.收起

查看更多

相关推荐