• 方案介绍
  • 附件下载
  • 相关推荐
申请入驻 产业图谱

交通灯控制器设计VHDL代码Quartus DE2-115开发板

09/19 08:29
275
加入交流群
扫码加入
获取工程师必备礼包
参与热点资讯讨论

2-241016214333V3.doc

共1个文件

名称:交通灯控制器设计VHDL代码Quartus? DE2-115开发板

软件:Quartus

语言:VHDL

代码功能:

交通灯控制器

设计一个交通灯控制器,由一条主干道和一条支干道汇合成十字路口,在每个入口处设置红、绿、黄三色信号灯,红灯亮禁止通行,绿灯亮允许通行,黄灯亮则给行驶中的车辆有时间停在禁行线外。

1、红、绿、黄发光二极管作信号灯,用传感器或逻辑开关作检测车辆是否到来的信号;

2、主干道处于常允许通行的状态,支干道有车来时才允许通行。主干道亮绿灯时,支干道亮红灯;支干道亮绿灯时,主干道亮红灯;

3、主、支干道均有车时,两者交替允许通行,主干道每次放行45秒,支干道每次放行25秒,设立45秒、25秒计时、显示电路

4、在每次由绿灯亮到红灯亮的转换过程中,要亮5秒黄灯作为过渡,使行驶中的车辆有时间停到禁行线外,设立5秒计时、显示电路。

FPGA代码Verilog/VHDL代码资源下载:www.hdlcode.com

本代码已在DE2-115开发板验证,DE2-115开发板如下,其他开发板可以修改管脚适配:

DE2-115开发板.png

演示视频:

设计文档:

1.?工程文件

2.?程序文件

3.?管脚分配

4.?程序编译

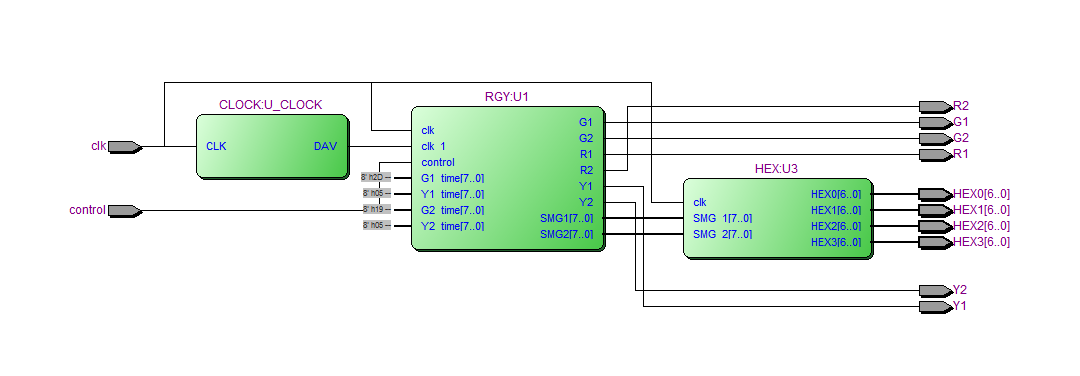
5.?RTL图

6.?仿真图

整体仿真图

分频模块仿真图

交通灯控制模块

显示模块

部分代码展示:

LIBRARY?ieee;
???USE?ieee.std_logic_1164.all;
ENTITY?Traffic_Light_Control?IS
???PORT?(
??????clk?????:?IN?STD_LOGIC;--50Mhz
control?:?IN?STD_LOGIC;--支路车辆检测按键
??????R1??????:?OUT?STD_LOGIC;--高电平亮,主路红灯
??????G1??????:?OUT?STD_LOGIC;--高电平亮,主路绿灯
??????Y1??????:?OUT?STD_LOGIC;--高电平亮,主路黄灯
??????R2??????:?OUT?STD_LOGIC;--高电平亮,支路红灯
??????G2??????:?OUT?STD_LOGIC;--高电平亮,支路绿灯
??????Y2??????:?OUT?STD_LOGIC;--高电平亮,支路黄灯
??????HEX0????:?OUT?STD_LOGIC_VECTOR(6?DOWNTO?0);--数码管0
??????HEX1????:?OUT?STD_LOGIC_VECTOR(6?DOWNTO?0);--数码管1
??????HEX2????:?OUT?STD_LOGIC_VECTOR(6?DOWNTO?0);--数码管2
??????HEX3????:?OUT?STD_LOGIC_VECTOR(6?DOWNTO?0)--数码管3
???);
END?Traffic_Light_Control;
ARCHITECTURE?behave?OF?Traffic_Light_Control?IS
--分频模块
COMPONENT?CLOCK?IS--?Divide?50MHz?to?1Hz
GENERIC(D?:?INTEGER?:=?50000000);--仿真时改小为500加快仿真速度,实际上板验证时改为50000000
???PORT(CLK:?IN?STD_LOGIC;
?????????DAV:?OUT?STD_LOGIC);
???END?COMPONENT;
--显示模块
???COMPONENT?HEX?IS
??????PORT?(
?????????clk?????:?IN?STD_LOGIC;
?????????SMG_1???:?IN?STD_LOGIC_VECTOR(7?DOWNTO?0);
?????????SMG_2???:?IN?STD_LOGIC_VECTOR(7?DOWNTO?0);
?????????HEX0????:?OUT?STD_LOGIC_VECTOR(6?DOWNTO?0);
?????????HEX1????:?OUT?STD_LOGIC_VECTOR(6?DOWNTO?0);
?????????HEX2????:?OUT?STD_LOGIC_VECTOR(6?DOWNTO?0);
?????????HEX3????:?OUT?STD_LOGIC_VECTOR(6?DOWNTO?0)
??????);
???END?COMPONENT;
???
--交通灯控制模块
???COMPONENT?RGY?IS
??????PORT?(
?????????clk_1???:?IN?STD_LOGIC;
clk???:?IN?STD_LOGIC;
control?:?IN?STD_LOGIC;----支路车辆检测按键
?????????G1_time?:?IN?STD_LOGIC_VECTOR(7?DOWNTO?0);
?????????Y1_time?:?IN?STD_LOGIC_VECTOR(7?DOWNTO?0);
?????????G2_time?:?IN?STD_LOGIC_VECTOR(7?DOWNTO?0);
?????????Y2_time?:?IN?STD_LOGIC_VECTOR(7?DOWNTO?0);
?????????R1??????:?OUT?STD_LOGIC;
?????????G1??????:?OUT?STD_LOGIC;
?????????Y1??????:?OUT?STD_LOGIC;
?????????R2??????:?OUT?STD_LOGIC;
?????????G2??????:?OUT?STD_LOGIC;
?????????Y2??????:?OUT?STD_LOGIC;
??????SMG1?????:?OUT?STD_LOGIC_VECTOR(7?DOWNTO?0);--输出数码管显示数
??????SMG2?????:?OUT?STD_LOGIC_VECTOR(7?DOWNTO?0)--输出数码管显示数
??????);
???END?COMPONENT;
???
???
???SIGNAL?clk_1??????:?STD_LOGIC;
???SIGNAL?SMG1???????:?STD_LOGIC_VECTOR(7?DOWNTO?0);
???SIGNAL?SMG2???????:?STD_LOGIC_VECTOR(7?DOWNTO?0);
???
???SIGNAL?R1_led?????:?STD_LOGIC;
???SIGNAL?G1_led?????:?STD_LOGIC;
???SIGNAL?Y1_led?????:?STD_LOGIC;
???
???SIGNAL?R2_led?????:?STD_LOGIC;
???SIGNAL?G2_led?????:?STD_LOGIC;
???SIGNAL?Y2_led?????:?STD_LOGIC;
???
???SIGNAL?G1_time????:?STD_LOGIC_VECTOR(7?DOWNTO?0);
???SIGNAL?Y1_time????:?STD_LOGIC_VECTOR(7?DOWNTO?0);
???SIGNAL?G2_time????:?STD_LOGIC_VECTOR(7?DOWNTO?0);
???SIGNAL?Y2_time????:?STD_LOGIC_VECTOR(7?DOWNTO?0);
???
???SIGNAL?HEX0_SIG?:?STD_LOGIC_VECTOR(6?DOWNTO?0);
???SIGNAL?HEX1_SIG?:?STD_LOGIC_VECTOR(6?DOWNTO?0);
???SIGNAL?HEX2_SIG?:?STD_LOGIC_VECTOR(6?DOWNTO?0);
???SIGNAL?HEX3_SIG?:?STD_LOGIC_VECTOR(6?DOWNTO?0);
BEGIN
???HEX0?<=?HEX0_SIG;
???HEX1?<=?HEX1_SIG;
???HEX2?<=?HEX2_SIG;
???HEX3?<=?HEX3_SIG;
???R1?<=?R1_led;--主路红灯
???G1?<=?G1_led;--主路绿灯
???Y1?<=?Y1_led;--主路黄灯
???R2?<=?R2_led;--支路红灯
???G2?<=?G2_led;--支路绿灯
???Y2?<=?Y2_led;--支路黄灯
???
--分频到1hz???
???U_CLOCK?:?CLOCK
??????PORT?MAP?(
?????????clk??=>?clk,
?????????dav??=>?clk_1
??????);
--主、支干道均有车时,两者交替允许通行,
--主干道每次放行45秒,支干道每次放行25秒,
--设立45秒、25秒计时、显示电路
--设置时间,可自行修改时间,
--主路红灯时间等于支路绿灯加黄灯
--支路红灯时间等于主路绿灯加黄灯
???G1_time?<=?"00101101";--主路绿灯45s
???Y1_time?<=?"00000101";--主路黄灯5s
???G2_time?<=?"00011001";--支路绿灯25s
???Y2_time?<=?"00000101";--支路黄灯5s
???
???
?--交通灯控制模块??
???U1?:?RGY
??????PORT?MAP?(
?????????clk_1????=>?clk_1,
clk????=>?clk,
?????????control??=>?control,
?????????R1???????=>?R1_led,
?????????G1???????=>?G1_led,
?????????Y1???????=>?Y1_led,
?????????
?????????R2???????=>?R2_led,
?????????G2???????=>?G2_led,
?????????Y2???????=>?Y2_led,
?????????
?????????G1_time??=>?G1_time,
?????????Y1_time??=>?Y1_time,
?????????G2_time??=>?G2_time,
?????????Y2_time??=>?Y2_time,
?????????
?????????SMG1?????=>?SMG1,--数码管显示
?????????SMG2?????=>?SMG2--数码管显示
??????);

点击链接获取代码文件:http://www.hdlcode.com/index.php?m=home&c=View&a=index&aid=1216

  • 2-241016214333V3.doc
    下载

相关推荐