• 方案介绍
  • 附件下载
  • 相关推荐
申请入驻 产业图谱

数字钟带闹钟功能设计Verilog代码Quartus DE10开发板

09/16 10:40
149
加入交流群
扫码加入
获取工程师必备礼包
参与热点资讯讨论

2-24101QQ3153a.doc

共1个文件

名称:数字钟带闹钟功能设计Verilog代码Quartus? DE10开发板

软件:Quartus

语言:Verilog

代码功能:

数字钟带闹钟功能

1、设计带闹钟功能的数字钟

2、可以通过按键校时

3、闹钟时间可修改

FPGA代码Verilog/VHDL代码资源下载:www.hdlcode.com

本代码已在DE10开发板验证,DE10开发板如下,其他开发板可以修改管脚适配:

DE10.png

演示视频:

设计文档:

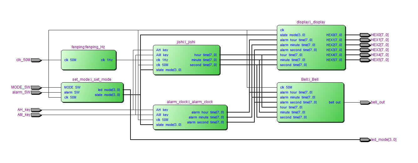
1. 程序文件

2. 程序编译

3. 程序RTL图

4. 管脚分配

5. Testbench

6. 仿真图

部分代码展示:

//控制方法:
//2个拨码开关SW0和SW1控制模式:
//SW0=0,SW1=0为正常计时模式;
//SW0=0,SW1=1为修改时间模式;
//SW0=1,SW1=0为显示闹钟时间模式;
//SW0=1,SW1=1为修改闹钟时间模式;
//2个按键,BT0修改小时,BT1修改分钟,BT2修改秒钟::
//将拨码开关设置为SW0=0,SW1=1,此时可以修改当前时间;
//将拨码开关设置为SW0=1,SW1=1,此时可以修改闹钟时间;
module?Digital_clock(
input?clk_50M,
input?rst_n,
input?alarm_SW,//闹钟时间设置键,0--显示正常计时;1--显示设置闹钟时间
input?MODE_SW,//MODE?模式设置按键--0:计时,1:设置时间
input?AH_key,//AH?修改小时
input?AM_key,//AM?修改分钟
input?AS_key,//AS?修改秒钟
output?bell_out,//闹钟led
output?[3:0]?led_mode,//led显示当前模式
output??[7:0]?HEX0,//数码管-低亮
output??[7:0]?HEX1,//数码管-低亮
output??[7:0]?HEX2,//数码管-低亮
output??[7:0]?HEX3,?//数码管-低亮
output??[7:0]?HEX4,//数码管-低亮
output??[7:0]?HEX5?//数码管-低亮
);
wire?[3:0]?state_mode;//当前模式
wire?[7:0]?hour_time;//时
wire?[7:0]?minute_time;//分
wire?[7:0]?second_time;//秒
wire?[7:0]?alarm_hour_time;//闹钟时
wire?[7:0]?alarm_minute_time;//闹钟分
wire?[7:0]?alarm_second_time;//闹钟秒
wire?clk_1Hz;
//分频到1Hz
fenping?fenping_Hz(
.?clk_50M(clk_50M),
.?clk_1Hz(clk_1Hz)
);
//设置模式模块
set_mode?i_set_mode(
.?clk_50M(clk_50M),
.?alarm_SW(alarm_SW),
.?MODE_SW(MODE_SW),
.?led_mode(led_mode),//led显示当前模式
.?state_mode(state_mode)//当前模式,4'd0:计时,4'd1设置时间?,4'd2显示闹钟时间,4'd3设置闹钟时间
);
jishi?i_jishi(
.?clk_50M(clk_50M),
.?clk_1Hz(clk_1Hz),
.?state_mode(state_mode),//当前模式,4'd0:计时,4'd1设置时间?,4'd2显示闹钟时间,4'd3设置闹钟时间
.?rst_n(rst_n),
.?AH_key(AH_key),//AH?修改小时
.?AM_key(AM_key),//AM?修改分钟
.?AS_key(AS_key),//AS?修改秒钟

点击链接获取代码文件:http://www.hdlcode.com/index.php?m=home&c=View&a=index&aid=1230

  • 2-24101QQ3153a.doc
    下载

相关推荐