• 方案介绍
  • 附件下载
  • 相关推荐
申请入驻 产业图谱

基于51单片机的安全气囊【速度,加速度,一二级充气】(仿真)

09/09 09:07
308
加入交流群
扫码加入
获取工程师必备礼包
参与热点资讯讨论

有需要资料的可了解一下.docx

共1个文件

基于51单片机的安全气囊【速度,加速度,一二级充气】(仿真)

给大家提供一些资料详细解释,有需要的自行提取,网盘地址我放在下面

链接:https://pan.baidu.com/s/1NigBeujDZTCFL0hdMiu7yg?pwd=syxp
提取码:syxp

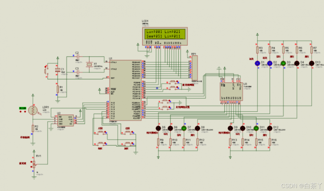
汽车灯控制器设计

要求:

1、汽车车尾左右两侧各有四盏灯:黄灯、红灯、雾灯、倒车照明灯,前面有照明灯(远光、近光)、黄灯、雾灯。

2、白天正常行驶时照明灯都不亮,夜间行驶时两个前照明灯都亮。

3、左转弯时左侧黄灯闪亮(2Hz),右转弯时右侧黄灯闪亮。

4、汽车刹车时,两个红灯都亮。

5、能见度低或者夜间行驶时雾灯点亮。

6、倒车时红灯、倒车照明灯亮。

#include "lcd1602.h"

void delay_uint(uint i)
{
	while(i--);
}
/********************************************************************
* 名称 : write_com(uchar com)
* 功能 : 1602命令函数
* 输入 : 输入的命令值
* 输出 : 无
***********************************************************************/
void write_com(uchar com)
{
	e=0;
	rs=0;
	rw=0;
	P0=com;
	delay_uint(20);
	e=1;
	delay_uint(20);
	e=0;
}

/********************************************************************
* 名称 : write_data(uchar dat)
* 功能 : 1602写数据函数
* 输入 : 需要写入1602的数据
* 输出 : 无
***********************************************************************/
void write_data(uchar dat)
{
	e=0;
	rs=1;
	rw=0;
	P0=dat;
	delay_uint(20);
	e=1;
	delay_uint(20);
	e=0;	
}

/********************************************************************
* 名称 : write_string(uchar hang,uchar add,uchar *p)
* 功能 : 改变液晶中某位的值,如果要让第一行,第五个字符开始显示"ab cd ef" ,调用该函数如下
	 	 write_string(1,5,"ab cd ef;")
* 输入 : 行,列,需要输入1602的数据
* 输出 : 无
***********************************************************************/
void write_string(uchar hang,uchar add,uchar *p)
{
	if(hang==1)   
		write_com(0x80+add);
	else
		write_com(0x80+0x40+add);
		while(1)
		{
			if(*p == '?')  break;
			write_data(*p);
			p++;
		}	
}

/********************************************************************
* 名称 : init_1602()
* 功能 : 初始化1602液晶 
* 输入 : 无
* 输出 : 无
***********************************************************************/
void init_1602()
{
	write_com(0x38);						//数据总线为8位,显示2行,5x7点阵
	write_com(0x0c);						//开显示,有光标,光标闪烁
	write_com(0x06);						//光标自动右移
	delay_uint(1000);						//等待设置完成
}
  • 有需要资料的可了解一下.docx
    下载

相关推荐