• 正文
  • 相关推荐
申请入驻 产业图谱

芯伯乐1MHz高频低功耗运放芯片MCP6001/2/4系列 微安级功耗精密信号处理

08/19 17:42
802
加入交流群
扫码加入
获取工程师必备礼包
参与热点资讯讨论

前言

工业控制通信设备、家用电器等领域,信号处理是核心环节之一,其中运算放大器运放)是实现信号处理的核心器件,其选型参数直接决定了信号链路的性能和输出信号的质量,是确保信号正常、精确输出的关键所在。芯伯乐MCP6001/2/3系列运算放大器凭借低静态电流(80uA?typ)、高带宽增益积(1MHz)、低失调电压(1mV typ)等参数成为精密型运算放大器的理想选择。

产品概述

MCP6001/2/4系列是一款具有高性能、低功耗的运算放大器,具备1MHz的宽频带宽、0.8V/us的压摆率和低静态电流(80uA),其优秀的性能参数使得芯伯乐MCP6001/2/4系列能够在多种应用中提供卓越的信号处理能力。

产品选用设计优势

低输入偏置电流:输入偏置电流低至皮安级,适用于高阻抗信号源的场景,能有效避免信号源泄漏电流带来的误差。

轨到轨输出:输出电压范围可接近电源电压轨,能够提供更高的动态范围和信号摆幅,适用于各种对输出电压范围要求较高的应用。

宽工作电压范围:支持宽电源电压8V~6.0V供电,为电路设计提供了更大的灵活性,能够适应不同的电源环境。

应用场景

工业自动化:可用于PLC模块中的信号调理传感器信号放大与滤波,保证信号的高精度传输与处理。

仪器仪表:在仪器仪表设备中,对传感器信号进行放大、滤波等处理,其低噪声、低偏置电流特性有助于提高仪器仪表设备的测量精度。

车载电子:如行车记录仪、车载导航系统等,为系统中的信号处理模块提供稳定的放大功能。

引脚配置(以SOT235封装为例)

引脚 引脚名称 说明
1 Vout 输出引脚,提供放大后的信号输出
2 Vss 接地引脚,需就近接地以减少噪声干扰
3 VIN+ 正向输入引脚,连接输入信号的正端
4 VIN- 负向输入引脚,连接输入信号的负端
5 VDD 电源引脚,接入工作电源电压

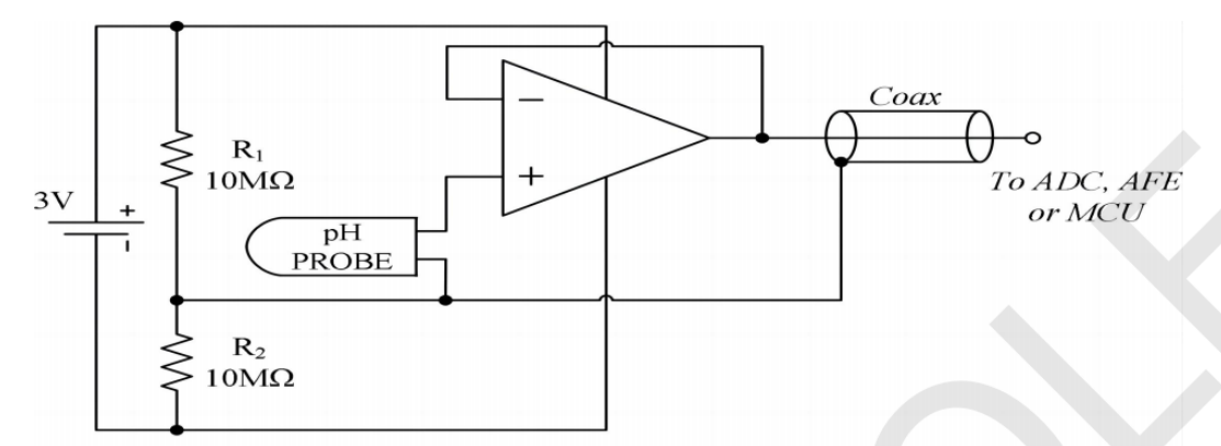
典型应用电路

电压跟随器/缓冲器电路

该电路可将MCP6001/2/4系列配置为电压跟随器模式,输入信号通过10MΩ的高阻抗源接入,经芯片缓冲后输出至ADCMCU等后续处理电路。这种配置适用于驱动低电压、高阻抗的化学传感器(如pH探头),能够有效地减少信号源的负载效应,提高信号的稳定性与准确性。

差分放大器电路

通过合理设置外围电阻的阻值,可实现对双端输入信号的差分放大。例如,当R4/R3=R2/R1时,输出电压Vout =(Vp-Vn)x R2/R1+VREF,该电路在工业传感器信号处理、音频信号处理等场景中广泛应用,能够有效抑制共模干扰,提取差分信号中的有用信息。

总结

芯伯乐XBLW MCP6001/2/4系列凭借其低功耗、高精度等优异性能,在众多电子系统中发挥着至关重要的作用。无论是工业、仪器仪表还是车载领域,均能为设计工程师提供可靠的信号处理解决方案。其1MHz的频带宽度和轨到轨输出特性,使其在处理高速、高精度信号时表现出色,能够满足现代电子设备对信号处理的严苛要求。

相关推荐