• 正文
  • 相关推荐
申请入驻 产业图谱

AN1V在光伏直流汇流箱中的应用:光伏电站安全监测的“基础环节”

09/12 09:26
889
加入交流群
扫码加入
获取工程师必备礼包
参与热点资讯讨论

近年来,随着分布式光伏装机规模快速扩大,由于项目分散大,施工相对复杂,随之而来的安全问题也逐渐引起有关部门的重视。国家能源局2025年将分布式光伏纳入新型电力系统安全共治体系,要求强化全生命周期监管,并要加强电站直流侧设备的运行安全监测,直流汇流箱环节,作为电站中最基础的单元之一,汇流箱的可靠性直接关系到整个光伏系统的稳定运行。

在这种背景下,电流监测能力被提升到了一个前所未有的高度。本文将从汇流箱的作用、电流检测的需求和方案选择入手,探讨电流传感器在汇流箱中的具体应用价值。

一、光伏直流汇流箱简介

光伏汇流箱(PV Combiner Box)是光伏发电系统中的关键电气设备,主要用于将多个光伏组串的直流输出电流集中汇流,并通过保护装置传输至逆变器

在这个过程中,汇流箱不仅仅是一个“分流+汇流”的电气接口,它还承担了电气安全保护的功能。通常,一个标准汇流箱会包含:

电流汇集?:支持6-24路组串并联输入,通过母线集中输出,减少逆变器端接线复杂度;?

多重保护:集成直流断路器熔断器防雷模块、防反接二极管等,实现过流、短路、雷击、浪涌等故障防护?;

检测单元:配备传感器和RS485通讯接口,实时监测各支路电流、电压及绝缘阻抗,支持远程运维?。

可以说,汇流箱既是光伏阵列与逆变器之间的“中转站”,也是光伏电站安全运行的第一道防线。

二、电流检测的必要性

光伏汇流箱里的电流检测,其实是整个光伏电站安全、运维、效率提升的关键环节,可以从以下几个角度来理解其必要性:

1.?保障系统安全

光伏组件串联接入汇流箱后,如果某一路发生短路、接地故障或电流异常偏大,就可能烧毁汇流箱内的熔断器、汇流母排,甚至引发火灾。

实时电流检测能快速发现异常回路,通过保护动作(熔断、断路或报警)来避免故障扩大。?

2.?提升运维效率

在大型电站中,一个汇流箱可能接入十几到几十路光伏组件串,传统人工巡检几乎不可行。

通过电流传感器监测各路电流,可以在后台系统中快速定位异常支路,省去大量人工排查,提高运维效率。

3.?防止发电损失

如果某个光伏组件串因遮挡、老化或连接不良导致电流异常偏小,就会造成发电量下降。

电流检测能帮助及时发现这类问题,减少“带病运行”造成的发电损失。

4.?配合智能监控系统

电流检测数据可上传至电站监控系统(SCADA 或电站运维平台),实现远程监测、故障预警。

结合电压检测、温度检测等数据,还能进行组件级健康诊断和发电性能分析。

5.?符合安全与并网规范

国内外标准(如 IEC 61724、GB/T 19964)都要求光伏电站具备完善的监测与保护措施。

汇流箱电流检测已成为合规建设的基本配置,尤其是分布式和大型地面电站。

光伏汇流箱电流检测不是“可选项”,而是保障电站安全、合规、经济运行的必要措施。

三、汇流箱电流检测方案对比

方案 优点 缺点 适用场景
分流电阻检测 成本低 无绝缘、功耗大、精度易受温度影响、发热严重、耐压性能有限 低压小电流场景
闭环霍尔传感器 高精度、低漂移 成本高、响应速度一般 高精度需求场景
开环霍尔传感器 响应快、成本适中 精度易受温度影响 一般工业场景

综合比较来看,霍尔电流传感器在光伏直流汇流箱中应用更为广泛,特别是面对数十安到数百安的电流范围时,其可靠性和安全性优势尤为明显。

四、AN1V PB303简介

AN1V PB303系列是芯森电子自主研发的一款基于霍尔原理的开环电流传感器,内部采用ASIC技术,具有体积小、无插入损耗和良好绝缘性能的特点。

其主要特性包括:

额定电流范围:50A~300A,多型号可选,覆盖汇流箱常见电流区间;

带宽:250kHz,可实现对快速故障的及时响应;

快速响应:5μs跟踪时间,实时监测过流/短路;

隔离耐压:8kV,有效保障高压直流环境下的测量安全;

精度:典型误差在±1%以内,满足光伏运维的监测需求;

低温漂增益误差±1.5%、零点误差±10 mV;

高绝缘设计:符合IEC 61800-5-1和IEC 62109-1 CAT III标准,适用于高压直流环境(如475V/960V RMS应用);

宽温度适应性:-40~150°C工作范围,满足户外极端环境;

无插入损耗:不影响系统效率,节能减排。

小型化:便于集成在紧凑的汇流箱内部。

结合汇流箱的应用场景,AN1V PB303能够:

实现实时支路电流监测,方便运维人员快速定位故障;

支持过流、短路等异常的快速识别,缩短保护动作时间;

提升电站安全合规性,满足监管部门对监测环节的要求。

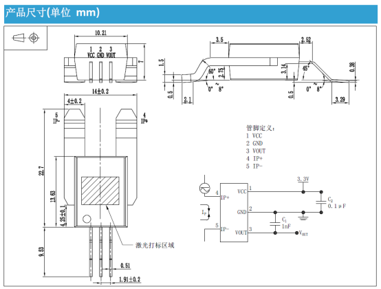
尺寸图及典型应用连接图

五、汇流箱电流检测原理示意图

下图展示了汇流箱中多路光伏组件如何通过电流传感器进行监测,再汇流至母排,最终送往逆变器:

六、结语

光伏直流汇流箱是电站中最基础、但也是最容易被忽视的环节。随着行业监管趋严,电流监测已成为保障电站安全运行的“必选项”。

在这一背景下,像AN1V PB303这样的霍尔电流传感器,为汇流箱提供了可靠、低损耗、响应快的电流检测手段。它们看似微小,却构成了光伏电站安全监测的基础环节。

未来,随着光伏规模化应用的深入,电流传感技术将在电站安全和智能运维中发挥越来越重要的作用。

芯森电子

芯森电子

芯森电子(CHIPSENSE)是一家专注于高端电流电压传感器研发、生产和应用,以及传感器芯片、传 感器前沿技术正向研究的国家高新技术企业。公司是MEMS磁工作组专家单位、中国传感器与物联网产 业联盟理事单位。公司与天津大学、北京科技大学天津学院、天津师范大学电子与通信工程学院,建立了 产、学、研合作基地,与华北电力大学联合成立了智能传感技术创新应用研究所。公司始终坚持“客户至 上,品质卓越,创新思变,诚信合作”的价值理念,以“持续为客户提供更优的传感器,成为一流智能传感 方案服务商”为使命,为客户提供性价比更高的产品和服务。

芯森电子(CHIPSENSE)是一家专注于高端电流电压传感器研发、生产和应用,以及传感器芯片、传 感器前沿技术正向研究的国家高新技术企业。公司是MEMS磁工作组专家单位、中国传感器与物联网产 业联盟理事单位。公司与天津大学、北京科技大学天津学院、天津师范大学电子与通信工程学院,建立了 产、学、研合作基地,与华北电力大学联合成立了智能传感技术创新应用研究所。公司始终坚持“客户至 上,品质卓越,创新思变,诚信合作”的价值理念,以“持续为客户提供更优的传感器,成为一流智能传感 方案服务商”为使命,为客户提供性价比更高的产品和服务。收起

查看更多

相关推荐

登录即可解锁
  • 海量技术文章
  • 设计资源下载
  • 产业链客户资源
  • 写文章/发需求
立即登录

芯森电子(CHIPSENSE)是一家专注于高端电流电压传感器研发、生产和应用,以及传感器芯片、传 感器前沿技术正向研究的国家高新技术企业。公司是MEMS磁工作组专家单位、中国传感器与物联网产 业联盟理事单位。公司与天津大学、北京科技大学天津学院、天津师范大学电子与通信工程学院,建立了 产、学、研合作基地,与华北电力大学联合成立了智能传感技术创新应用研究所。公司始终坚持“客户至 上,品质卓越,创新思变,诚信合作”的价值理念,以“持续为客户提供更优的传感器,成为一流智能传感 方案服务商”为使命,为客户提供性价比更高的产品和服务。

微信公众号